- Технические характеристики и другая информация предоставляются для справки.
- Чертежи и изображения представлены для ознакомления
Подшипник роликовый конический JK 0S 030
Подшипник роликовый конический JK0S030 у которого конструкционной особенностью являются ролики в форме конуса и разъемный корпус. Изделие также может быть укомплектовано наружным кольцом с упорным бортиком или большим углом, двухрядными или четырехрядными роликоподшипниками, утолщенной внешней шиной.
Какие свойства характерны для Подшипник роликовый конический JK0S030?
- Установленные тела качения позволяют воспринимать одновременно односторонние осевые и аксиальные нагрузки, которые находятся в обратно пропорциональной зависимости друг от друга. Чем больше угол контакта, тем выше максимальная возможность восприятия воздействий по оси, и наоборот.
- Составные части детали можно разбирать и собирать по собственному усмотрению, что упрощает их демонтаж и замену при необходимости.
- Деталь отличается повышенной износостойкостью и долговечностью, может использоваться в широком рабочем диапазоне температур, стойко противостоит коррозиям и механическим повреждениям.
- Активно эксплуатируется в машиностроительной, пищевой, медицинской, сельскохозяйственной промышленности.
Ищете качественную продукцию компаний FAG, KOYO, NSK, SKF, SNR? У нас вы можете приобрести Подшипник роликовый конический JK0S030 ГОСТ или его (аналог ISO) и другие конструкции по умеренной стоимости!
Технические характеристики
Обозначение : JK0S030
Размеры, мм : 30x55x19
Производитель : FAG
Диаметр внутренний, мм : 30
Диаметр наружный, мм : 55
Высота, мм : 19
Технические данные из каталога производителя :
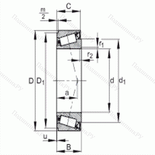
d - 30 mm
D - 55 mm
B - 19 mm
a - 14,9 mm / α
C - 18,5 mm
D1 - 51,4 mm
Dn - 56,5 mm / Номинальный размер паза
d1 - 43,6 mm / α
da max - 35 mm
db min - 36 mm
m/2 - 0,75 mm
ra max - 1 mm
r1, r2min - 1 mm
u - 0,02 mm
α Dn - +0,19 mm / Размер α Ду
α u - +0,05 mm / Размер α u
m - 0,19 kg / α Вес, без смазки
- BR55 / Условное обозначение, пружинное стопорное кольцо
Cr - 38500 N / динамическая грузоподъемность, радиальная
C0r - 46500 N
e - 0,43
Y - 1,4
Y0 - 0,77
Cur - 5300 N / Нагрузка предела усталости, радиальная
nG Fett - 4000 1/min / Предельная частота вращения при консистентной смазке
FBR - 15700 N / Грузоподъемность пружинного стопорного кольцапри установке стороной с острой кромкой
- 7700 N / Макс. осевое сжимающее усилие для подшипниковой пары
Роликоподшипники интегральные конические, контактное уплотнение с одной стороны, серия диаметров 0
| 
																Производитель
															 | FAG | 
| 
																Ширина B
															 | 19 | 
| 
																Внешний диаметр D
															 | 55 | 
| 
																Внутренний диаметр d
															 | 30 | 
| 
																Размер
															 | 30x55x19 | 
| 
																Вес, кг
															 | 0.19. | 
| 
																Модель
															 | JK0S030-FAG | 
| 
																SKU
															 | JK0S030-FAG | 
| 
																Y
															 | 1,4 | 
Похожие по размеру
Оформить заказ на нашем сайте легко. Просто добавьте выбранные товары в корзину, а затем перейдите на страницу Корзина, проверьте правильность заказанных позиций и нажмите кнопку «Оформить заказ» или «Быстрый заказ».
Функция «Быстрый заказ» позволяет покупателю не проходить всю процедуру оформления заказа самостоятельно. Вы заполняете форму, и через короткое время вам перезвонит менеджер магазина. Он уточнит все условия заказа, ответит на вопросы, касающиеся качества товара, его особенностей. А также подскажет о вариантах оплаты и доставки.
По результатам звонка, пользователь либо, получив уточнения, самостоятельно оформляет заказ, укомплектовав его необходимыми позициями, либо соглашается на оформление в том виде, в котором есть сейчас. Получает подтверждение на почту или на мобильный телефон и ждёт доставки.
Если вы уверены в выборе, то можете самостоятельно оформить заказ, заполнив по этапам всю форму.
Выберите из списка название вашего региона и населённого пункта. Если вы не нашли свой населённый пункт в списке, выберите значение «Другое местоположение» и впишите название своего населённого пункта в графу «Город». Введите правильный индекс.
	 В зависимости от места жительства вам предложат варианты доставки. Выберите любой удобный способ. 
	
	Оплата
Выберите оптимальный способ оплаты.
Введите данные о себе: ФИО, адрес доставки, номер телефона. В поле «Комментарии к заказу» введите сведения, которые могут пригодиться курьеру, например: подъезды в доме считаются справа налево.
Проверьте правильность ввода информации: позиции заказа, выбор местоположения, данные о покупателе. Нажмите кнопку «Оформить заказ».
Наш сервис запоминает данные о пользователе, информацию о заказе и в следующий раз предложит вам повторить к вводу данные предыдущего заказа. Если условия вам не подходят, выбирайте другие варианты.

 
                                            
                                        
