- Технические характеристики и другая информация предоставляются для справки.
- Чертежи и изображения представлены для ознакомления
Подшипник роликовый конический JK 0S 070-A
Подшипник роликовый конический JK0S070-A у которого конструкционной особенностью являются ролики в форме конуса и разъемный корпус. Изделие также может быть укомплектовано наружным кольцом с упорным бортиком или большим углом, двухрядными или четырехрядными роликоподшипниками, утолщенной внешней шиной.
Какие свойства характерны для Подшипник роликовый конический JK0S070-A?
- Установленные тела качения позволяют воспринимать одновременно односторонние осевые и аксиальные нагрузки, которые находятся в обратно пропорциональной зависимости друг от друга. Чем больше угол контакта, тем выше максимальная возможность восприятия воздействий по оси, и наоборот.
- Составные части детали можно разбирать и собирать по собственному усмотрению, что упрощает их демонтаж и замену при необходимости.
- Деталь отличается повышенной износостойкостью и долговечностью, может использоваться в широком рабочем диапазоне температур, стойко противостоит коррозиям и механическим повреждениям.
- Активно эксплуатируется в машиностроительной, пищевой, медицинской, сельскохозяйственной промышленности.
Ищете качественную продукцию компаний FAG, KOYO, NSK, SKF, SNR? У нас вы можете приобрести Подшипник роликовый конический JK0S070-A ГОСТ или его (аналог ISO) и другие конструкции по умеренной стоимости!
Технические характеристики
Обозначение : JK0S070-A
Размеры, мм : 70x110x27
Производитель : FAG
Диаметр внутренний, мм : 70
Диаметр наружный, мм : 110
Высота, мм : 27
Технические данные из каталога производителя :
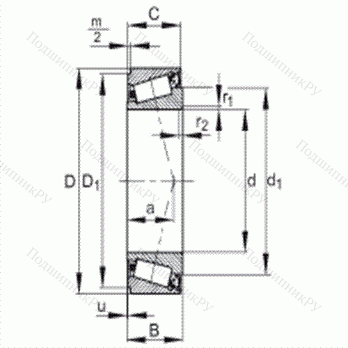
d - 70 mm
D - 110 mm
B - 27 mm
a - 25,1 mm / α
C - 26,5 mm
D1 - 104,8 mm
Dn - 112,3 mm / Номинальный размер паза
d1 - 91,5 mm / α
da max - 78 mm
db min - 77 mm
m/2 - 1,25 mm
ra max - 1,5 mm
r1, r2min - 1,5 mm
u - 0,03 mm
α Dn - +0,22 mm / Размер α Ду
α u - +0,05 mm / Размер α u
m - 0,93 kg / α Вес, без смазки
- BR110 / Условное обозначение, пружинное стопорное кольцо
Cr - 104000 N / динамическая грузоподъемность, радиальная
C0r - 159000 N
e - 0,43
Y - 1,38
Y0 - 0,76
Cur - 20100 N / Нагрузка предела усталости, радиальная
nG Fett - 1800 1/min / Предельная частота вращения при консистентной смазке
FBR - 49000 N / Грузоподъемность пружинного стопорного кольцапри установке стороной с острой кромкой
- 20800 N / Макс. осевое сжимающее усилие для подшипниковой пары
Роликоподшипники интегральные конические, контактное уплотнение с одной стороны, серия диаметров 0
|
Производитель
|
FAG |
|
Ширина B
|
27 |
|
Внешний диаметр D
|
110 |
|
Внутренний диаметр d
|
70 |
|
Размер
|
70x110x27 |
|
Вес, кг
|
0.93. |
|
Модель
|
JK0S070-A-FAG |
|
SKU
|
JK0S070-A-FAG |
|
Y
|
1,38 |
Похожие по размеру
Оформить заказ на нашем сайте легко. Просто добавьте выбранные товары в корзину, а затем перейдите на страницу Корзина, проверьте правильность заказанных позиций и нажмите кнопку «Оформить заказ» или «Быстрый заказ».
Функция «Быстрый заказ» позволяет покупателю не проходить всю процедуру оформления заказа самостоятельно. Вы заполняете форму, и через короткое время вам перезвонит менеджер магазина. Он уточнит все условия заказа, ответит на вопросы, касающиеся качества товара, его особенностей. А также подскажет о вариантах оплаты и доставки.
По результатам звонка, пользователь либо, получив уточнения, самостоятельно оформляет заказ, укомплектовав его необходимыми позициями, либо соглашается на оформление в том виде, в котором есть сейчас. Получает подтверждение на почту или на мобильный телефон и ждёт доставки.
Если вы уверены в выборе, то можете самостоятельно оформить заказ, заполнив по этапам всю форму.
Выберите из списка название вашего региона и населённого пункта. Если вы не нашли свой населённый пункт в списке, выберите значение «Другое местоположение» и впишите название своего населённого пункта в графу «Город». Введите правильный индекс.
В зависимости от места жительства вам предложат варианты доставки. Выберите любой удобный способ.
Оплата
Выберите оптимальный способ оплаты.
Введите данные о себе: ФИО, адрес доставки, номер телефона. В поле «Комментарии к заказу» введите сведения, которые могут пригодиться курьеру, например: подъезды в доме считаются справа налево.
Проверьте правильность ввода информации: позиции заказа, выбор местоположения, данные о покупателе. Нажмите кнопку «Оформить заказ».
Наш сервис запоминает данные о пользователе, информацию о заказе и в следующий раз предложит вам повторить к вводу данные предыдущего заказа. Если условия вам не подходят, выбирайте другие варианты.

