- Технические характеристики и другая информация предоставляются для справки.
- Чертежи и изображения представлены для ознакомления
Подшипник шариковый радиальный с тонким кольцом CSEB 025
Подшипник шариковый радиальный с тонким кольцом CSEB025 его строение включает в себя наружную шину, тела качения, сепаратор из штампованной стали, латуни или полиамида, центрирующийся по шарикам либо бортикам внешнего кольца. Устройство является неразборным и полностью готово к монтажу. Существуют также обслуживаемые и необслуживаемые варианты (в первом случае в корпусе детали имеется специальное смазочное отверстие, через которое происходит подача смазки, расходуемой в процессе работы). Закрытые модели дополнительно усилены уплотняющими шайбами или уплотнениями и не требуют обслуживания. В изделии также могут присутствовать узкие, широкие и средние зазоры.
Каковы характерные особенности Подшипник шариковый радиальный с тонким кольцом CSEB025?
- Рассчитан на восприятие серьезных аксиальных и незначительных осевых нагрузок.
- Обладает низким коэффициентом трения, за счет чего возможно вращение на максимально допустимых скоростях и более длительный срок эксплуатации в сравнении с аналогами.
- Отличается высокой грузоподъемностью и склонностью к самоцентрированию, что дает возможность выравнивать перекосы во время монтажа.
Приобретайте выгодно Подшипник шариковый радиальный с тонким кольцом CSEB025 ГОСТ или его (аналоги ISO), а также иную продукцию от мировых промышленных брендов FAG, KOYO, NSK, SKF, SNR на нашем веб-сайте!
Технические характеристики
Обозначение : CSEB025
Размеры, мм : 63.5x79.375x7.938
Производитель : INA
Диаметр внутренний, мм : 63,5
Диаметр наружный, мм : 79,375
Высота, мм : 7,938
Технические данные из каталога производителя :
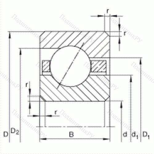
d - 63,5 mm
d - 2 1/2 inch
D - 79,375 mm
B - 7,938 mm
D1 - 73,5 mm
D2 - 75,3 mm
d1 - 69,4 mm
rmin - 1 mm / минимум 1 – минимальное значение координаты монтажной фаски и наибольший допустимый радиус закругления на вале и в корпусе.
m - 0,09 kg / Вес
Cr - 5200 N / динамическая грузоподъемность, радиальная
C0r - 5200 N / статическая грузоподъемность, радиальная
nG Ol - 8200 1/min / предельная частота вращенияПри использовании консистентной смазки допустимы значения, составляющие 70 % от табличных.
Радиально-упорные шарикоподшипники, конструктивное исполнение E, для рабочих температур от -54 °C до +120 °C
|
Производитель
|
INA |
|
Ширина B
|
7 |
|
Внешний диаметр D
|
79 |
|
Внутренний диаметр d
|
63 |
|
Размер
|
63x79x7 |
|
Вес, кг
|
0.09 |
|
Модель
|
CSEB025-INA |
|
SKU
|
CSEB025-INA |
Похожие по размеру
Оформить заказ на нашем сайте легко. Просто добавьте выбранные товары в корзину, а затем перейдите на страницу Корзина, проверьте правильность заказанных позиций и нажмите кнопку «Оформить заказ» или «Быстрый заказ».
Функция «Быстрый заказ» позволяет покупателю не проходить всю процедуру оформления заказа самостоятельно. Вы заполняете форму, и через короткое время вам перезвонит менеджер магазина. Он уточнит все условия заказа, ответит на вопросы, касающиеся качества товара, его особенностей. А также подскажет о вариантах оплаты и доставки.
По результатам звонка, пользователь либо, получив уточнения, самостоятельно оформляет заказ, укомплектовав его необходимыми позициями, либо соглашается на оформление в том виде, в котором есть сейчас. Получает подтверждение на почту или на мобильный телефон и ждёт доставки.
Если вы уверены в выборе, то можете самостоятельно оформить заказ, заполнив по этапам всю форму.
Выберите из списка название вашего региона и населённого пункта. Если вы не нашли свой населённый пункт в списке, выберите значение «Другое местоположение» и впишите название своего населённого пункта в графу «Город». Введите правильный индекс.
В зависимости от места жительства вам предложат варианты доставки. Выберите любой удобный способ.
Оплата
Выберите оптимальный способ оплаты.
Введите данные о себе: ФИО, адрес доставки, номер телефона. В поле «Комментарии к заказу» введите сведения, которые могут пригодиться курьеру, например: подъезды в доме считаются справа налево.
Проверьте правильность ввода информации: позиции заказа, выбор местоположения, данные о покупателе. Нажмите кнопку «Оформить заказ».
Наш сервис запоминает данные о пользователе, информацию о заказе и в следующий раз предложит вам повторить к вводу данные предыдущего заказа. Если условия вам не подходят, выбирайте другие варианты.
