- Технические характеристики и другая информация предоставляются для справки.
- Чертежи и изображения представлены для ознакомления
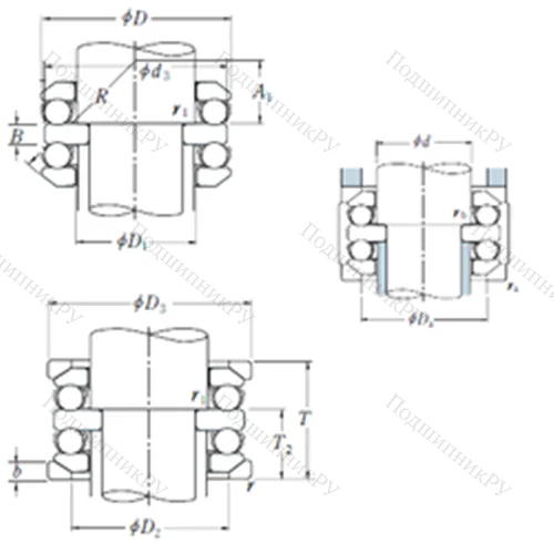
Подшипник шариковый упорный 54232XU
Подшипник шариковый упорный 54232XU конструкция которого является разборной и включает в себя свободное и тугое кольца, а также сепаратор (чаще всего, стальной) и комплект шариков, которые могут устанавливаться отдельно, что упрощает процесс установки и демонтажа системы. Существуют одинарные и двойные варианты: первый состоит из двух шин и шарикоподшипников, оснащенных сепараторной оболочкой, и может воспринимать однонаправленное воздействие, а второй отличается лишь наличием пары комплектов тел качения и восприятием двунаправленных сил.
В чем плюсы и особенности Подшипник шариковый упорный 54232XU?
- Работает только с нагрузками осевого типа и не рассчитан на воздействие радиального вектора приложения сил.
- Характеризуется повышенной стойкостью к рабочим нагрузкам, что позволяет увеличить срок эксплуатации по сравнению с иными моделями.
- Отвечает уровню качества, закрепленному в международных нормах ИСО, российских ГОСТах, японских, американских и немецких стандартах.
Приобретайте с выгодой для бюджета Подшипник шариковый упорный 54232XU ГОСТ или его (аналог ISO), также прочие надежные изделия FAG, KOYO, NSK, SKF, SNR в нашем интернет-магазине!
Технические характеристики
Обозначение : 54232XU
Размеры, мм : 160x225x110
Производитель : NSK
Диаметр внутренний, мм : 160
Диаметр наружный, мм : 225
Высота, мм : 110
Технические данные из каталога производителя :
Внутренний диаметр (d) - 160 мм.
Внутренний диаметр (d2) - 140
Наружный диаметр (D) - 225 мм.
Ширина рабочая (T) - 110 мм.
Размер (T2) - 65
Размер (b) - 21 мм.
Размер (d3) - 224,5 мм.
Размер (r min.) - 1,5 мм.
Размер (r1 min.) - 1,1 мм.
Размер (A1) - 70 мм.
Размер (B) - 20 мм.
Размер (D1) - 163 мм.
Размер (D2) - 190 мм.
Размер (D3) - 235 мм.
Размер (R) - 160 мм.
Размер сопряженных деталей (Da max.) - 190
Размер сопряженных деталей (ra max.) - 1,5
Размер сопряженных деталей (rb max.) - 1
Масса - 16,5 Кг
Грузоподъемность динамическая (C) - 249 кН
Грузоподъемность статическая (C0) - 805 кН
Частота вращения предельная при пластичной смазке - 850 об/мин
Частота вращения предельная при жидкой смазке - 1300 об/мин
Количество дорожек качения - 2
Уплотнение - Нет
| 
																Производитель
															 | NSK | 
| 
																Ширина B
															 | 110 | 
| 
																Внешний диаметр D
															 | 225 | 
| 
																Внутренний диаметр d
															 | 160 | 
| 
																Размер
															 | 160x225x110 | 
| 
																Вес, кг
															 | 16.5 | 
| 
																Модель
															 | 54232XU-NSK | 
| 
																SKU
															 | 54232XU-NSK | 
| 
																Диаметр вала d1
															 | 163 мм. | 
Похожие по размеру
Оформить заказ на нашем сайте легко. Просто добавьте выбранные товары в корзину, а затем перейдите на страницу Корзина, проверьте правильность заказанных позиций и нажмите кнопку «Оформить заказ» или «Быстрый заказ».
Функция «Быстрый заказ» позволяет покупателю не проходить всю процедуру оформления заказа самостоятельно. Вы заполняете форму, и через короткое время вам перезвонит менеджер магазина. Он уточнит все условия заказа, ответит на вопросы, касающиеся качества товара, его особенностей. А также подскажет о вариантах оплаты и доставки.
По результатам звонка, пользователь либо, получив уточнения, самостоятельно оформляет заказ, укомплектовав его необходимыми позициями, либо соглашается на оформление в том виде, в котором есть сейчас. Получает подтверждение на почту или на мобильный телефон и ждёт доставки.
Если вы уверены в выборе, то можете самостоятельно оформить заказ, заполнив по этапам всю форму.
Выберите из списка название вашего региона и населённого пункта. Если вы не нашли свой населённый пункт в списке, выберите значение «Другое местоположение» и впишите название своего населённого пункта в графу «Город». Введите правильный индекс.
	 В зависимости от места жительства вам предложат варианты доставки. Выберите любой удобный способ. 
	
	Оплата
Выберите оптимальный способ оплаты.
Введите данные о себе: ФИО, адрес доставки, номер телефона. В поле «Комментарии к заказу» введите сведения, которые могут пригодиться курьеру, например: подъезды в доме считаются справа налево.
Проверьте правильность ввода информации: позиции заказа, выбор местоположения, данные о покупателе. Нажмите кнопку «Оформить заказ».
Наш сервис запоминает данные о пользователе, информацию о заказе и в следующий раз предложит вам повторить к вводу данные предыдущего заказа. Если условия вам не подходят, выбирайте другие варианты.

 
                                            
                                        
